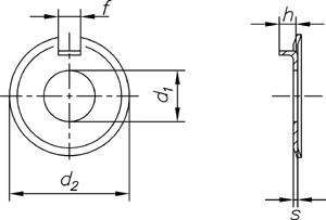
DIN    432 
   s   
   s   
      
 Werkstoff/     Stahl  
 strength     steel  
   s    
 Oberfläche/     blank  
 surface     plain  

Sicherungsbleche mit Aussennase
Washers with external tap


 Nennweite d 1  3,2  4,3  5,3  6,4  8,4  10,5  13  15  17  19  21  23  25  31  37 
 d 2  12  14  17  19  22  26  30  33  36  40  42  50  50  63  75 
 f  2,5  2,5  3,5  3,5  3,5  4,5  4,5  4,5  5,5  6,5  6,5  7,5  7,5  8,5  11 
 h ~  2  2  2,5  3  4  4  4,5  4,5  4,5  4,5  4,5  6,5  6,5  9,5  9,5 
 s  0,4  0,4  0,75  0,75  1  1  1,2  1,2  1,2  1,2  1,6  1,6  1,6  1,6  2 

Maße in mm


Nicht aufgeführte Abmessungen und/oder Ausführungen bitte anfragen.