DIN    463 
   s   
   s   
      
 Werkstoff/     Stahl  
 strength     steel  
   s    
 Oberfläche/     roh / verzinkt  
 surface     plain / zinc plated  

Sicherungsbleche mit 2 Lappen
Washers with 2 taps


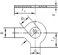
 d 1  3,2  3,7  4,3  5,3  6,4  8,4  10,5  13  15 
 b  4  4  5  6  7  8  10  12  12 
 d 2  7  8  9  10  12,5  17  21  24  28 
 l 1  13  13  14  16  18  20  22  28  28 
 l 2  5  5,5  6,5  8  9  11  13  15  16 
 s  0,38  0,38  0,38  0,5  0,5  0,75  0,75  1  1 

 d 1  17  19  21  23  25  28  31  34  37 
 b  15  18  18  20  20  23  26  28  30 
 d 2  30  34  37  39  44  50  56  60  66 
 l 1  32  36  36  42  42  48  52  56  60 
 l 2  18  20  21  23  25  29  32  34  38 
 s  1  1  1  1  1  1,6  1,6  1,6  1,6 
----

----


Nicht aufgeführte Abmessungen und/oder Ausführungen bitte anfragen.