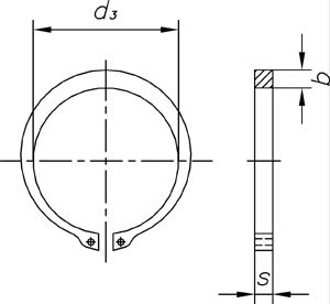
DIN    471 
   s   
   s   
      
 Werkstoff/     Federstahl  
 strength     spring steel  
   s    
 Oberfläche/      
 surface      

Sicherungsringe für Wellen
Rataining rings for shafts (circlips)



Maße in mm


Nicht aufgeführte Abmessungen und/oder Ausführungen bitte anfragen.