DIN    564 
   s   
   s  8.8 
     (22H) 
      
 Werkstoff/      
 strength      
   s    
 Oberfläche/     schwarz  
 surface     black  

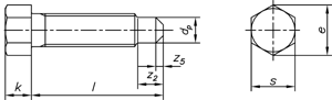
Sechskantschrauben mit Ansatzspitze und kleinem Sechskant
Hexagon head set screws with small hexagon and half dog flat cone point


 d  M 6  M 8  M 10  M 12  M 16  M 20  M 24 
 d p Nennmaß  4  5,5  7  8,5  12  15  18 
 k Nennmaß  5  6  7  9  11  14  17 
 z 2 min.  3  4  5  6  8  10  12 
 s  8  10  13  17  19  24  30 

Maße in mm


Nicht aufgeführte Abmessungen und/oder Ausführungen bitte anfragen.