DIN    604 
   s   
   s   
     4.6 
 Werkstoff/      
 strength      
   s    
 Oberfläche/     schwarz  
 surface     black  

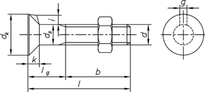
Senkschrauben mit Nase und Sechskantmutter
Flat countersunk nib bolts with hexagon nuts


 d  M 8  M 10  M 12  M 16  M 20  M 24 
 b = bis 120 mm  22  26  30  38  46  54 
 d k max.  16,55  19,65  24,65  32,8  32,8  38,8 
 g max.  3  3,2  3,6  4,2  5,4  6,6 
 k  5  5,5  7  9  11,5  13 

Maße in mm


Nicht aufgeführte Abmessungen und/oder Ausführungen bitte anfragen.