DIN    609 
   s   
   s   
     8.8 
 Werkstoff/      
 strength      
   s    
 Oberfläche/     schwarz  
 surface     black  

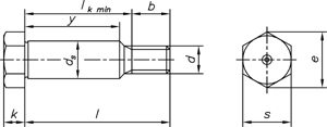
Sechskant-Paßschrauben mit langem Gewindezapfen
Hexagon fit bolts with long threaded portion


 d  M 8  M 10  M 12  M 14  M 16  M 20  M 24  M 30 
 b = bis 50 mm  14,5  17,5  20,5  22  25  28,5  -  - 
 b = bis 150 mm  16,5  19,5  22,5  24  27  30,5  36,5  43 
 b = über 150 mm  -  -  -  -  -  35,5  41,5  48 
 d s k 6  9  11  13  15  17  21  25  32 
 k Nennmaß  5,3  6,4  7,5  8,8  10  12,5  15  19 
 s max.  13  17  19  22  24  30  36  46 

Maße in mm


Nicht aufgeführte Abmessungen und/oder Ausführungen bitte anfragen.