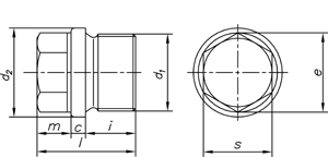
DIN    910 
   s   
   s   
      
 Werkstoff/     Stahl  
 strength     steel  
   s    
 Oberfläche/      
 surface      

Verschlußschrauben mit Bund
Hexagon head screws plugs



Maße in mm


Nicht aufgeführte Abmessungen und/oder Ausführungen bitte anfragen.