DIN    935 
   s   
   s   
     6 
 Werkstoff/      
 strength      
   s   s  
 Oberfläche/      
 surface      

Kronenmuttern
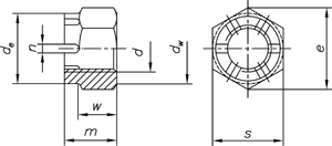
Hexagon slotted and castle nuts


 Gewinde d  M 8  M 10  M 12  M 14  M 16  M 18  M 20 
 m max.  9,5  12  15  16  19  21  22 
 n min.  2,5  2,8  3,5  3,5  4,5  4,5  4,5 
 s Nennmaß  13  17  19  22  24  27  30 
 w max.  6,5  8  10  11  13  15  16 

 Gewinde d  M 22  M 24  M 27  M 30  M 36  M 42  M 48 
 m max.  26  27  30  33  38  46  50 
 n min.  5,5  5,5  5,5  7  7  9  9 
 s Nennmaß  32  36  41  46  55  65  75 
 w max.  18  19  22  24  29  34  38 
Maße in mm

--


Nicht aufgeführte Abmessungen und/oder Ausführungen bitte anfragen.