DIN    1477 
 ISO    8747 
   s   
      
 Werkstoff/     Stahl  
 strength     steel  
   s    
 Oberfläche/      
 surface      

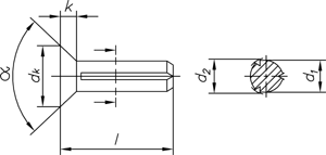
Senkkerbnägel
Countersunk head grooved pins


 d 1  2  2,5  3  4  5  6 
 d k max.  3,7  4,6  5,45  7,25  9,1  10,8 

Maße in mm


Nicht aufgeführte Abmessungen und/oder Ausführungen bitte anfragen.