DIN    1816 W 
   s   
   s   
     5 
 Werkstoff/      
 strength      
   s   s  
 Oberfläche/      
 surface      

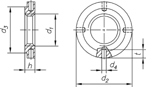
Kreuzlochmuttern, ungehärtet und ungeschliffen
Round nut with set pin holes inside, non-hardened and non-polished



Maße in mm


Nicht aufgeführte Abmessungen und/oder Ausführungen bitte anfragen.