DIN    6331 
   s   
   s   
     10 
 Werkstoff/      
 strength      
   s   s  
 Oberfläche/      
 surface      

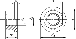
Sechskantmuttern 1,5 d hoch mit Bund
Hexagon nuts, 1,5 d high with collar


 d 1  M 8  M 10  M 12  M 16  M 20  M 24  M 30  M 36 
 d 3  18  22  25  31  37  45  58  68 
 m  12  15  18  24  30  36  45  54 
 s  13  16  18  24  30  36  46  55 
 a  3,5  4  4  5  6  6  8  10 

Maße in mm


Nicht aufgeführte Abmessungen und/oder Ausführungen bitte anfragen.