DIN    6917 
   s   
   s   
     C 45 
 Werkstoff/      
 strength      
   s    
 Oberfläche/     feuerverzinkt  
 surface     hot dipped galvanized  

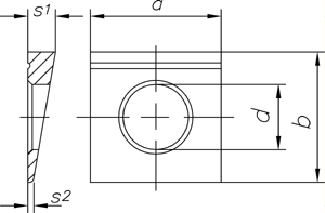
Vierkantscheiben HV für I-Träger, keilförmig
Square taper washers HT for I-sections


 d  13  17  21  23  25  28  31 
 a  26  32  40  44  56  56  62 
 b  30  36  44  50  56  56  62 
 s 1  6,2  7,5  9,2  10  10,8  10,8  11,7 
 s 2  2  2,5  3  3  3  3  3 

Maße in mm


Nicht aufgeführte Abmessungen und/oder Ausführungen bitte anfragen.