DIN    7500 M 
   s   
   s   
      
 Werkstoff/     Stahl  
 strength     Steel  
   s    
 Oberfläche/     verzinkt  
 surface     zinc plated  

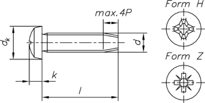
Gewindefurchende Schrauben, Kopf nach DIN 965
Thread rolling screws, head from DIN 965


 Gewinde d  3  4  5  6 
 P  0,5  0,7  0,8  1 
 Furchbereich max.  2  2,8  3,2  4 

Maße in mm


Nicht aufgeführte Abmessungen und/oder Ausführungen bitte anfragen.