DIN    7968 
   s   
   s   
     5.6 
 Werkstoff/      
 strength      
   s    
 Oberfläche/     schwarz  
 surface     black  

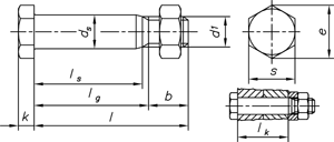
Sechskant-Paßschrauben mit Sechskantmuttern
Hexagon fit bolts with hexagon nuts


 d 1  M 12  M 16  M 20  M 24  M 27  M 30 
 b  17,12  20,5  23,75  26,5  29,5  31,25 
 k  8  10  13  15  17  19 
 s  19  24  30  36  41  46 
 ds h11  13  17  21  25  28  31 

Maße in mm


Nicht aufgeführte Abmessungen und/oder Ausführungen bitte anfragen.