DIN
7971 C
ISO
1481 C
s
Werkstoff/
Stahl
strength
steel
s
Oberfläche/
verzinkt
surface
zinc plated
Zylinder-Blechschrauben mit Schlitz
Slotted pan head tapping screws
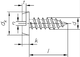
d
2,2
2,9
3,5
3,9
4,2
4,8
5,5
6,3
d k
4,2
5,6
6,9
7,5
8,2
9,5
10,8
12,5
k max.
1,35
1,75
2,1
2,25
2,45
2,8
3,2
3,65
k min.
1,15
1,5
1,85
2
2,15
2,5
2,85
3,3
n
0,6
0,8
1
1
1,2
1,2
1,6
1,6
t max.
0,8
1
1,25
1,4
1,5
1,7
1,95
2,2
Maße in mm
Nicht aufgeführte Abmessungen und/oder Ausführungen bitte anfragen.