DIN    439 
 ISO    4035 
   s   
     A2/A4 
 Werkstoff/      
 strength      
   s   s  
 Oberfläche/      
 surface      

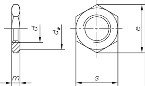
Niedrige Sechskantmuttern, Form B
Hexagon thin nuts


 d  M 3  M 4  M 5  M 6  M 8  M 10 
 m max.  1,8  2,2  2,7  3,2  4  5 
 s Nennmaß  5,5  7  8  10  13  17 (16) 

 d  M 12  M 16  M 18  M 20  M 24  M 30 
 m max.  6  8  9  10  12  15 
 s Nennmaß  19 (18)  24  27  30  36  46 
Maße in ( ) nur ISO - Ausführung


Nicht aufgeführte Abmessungen und/oder Ausführungen bitte anfragen.