DIN    603 
 ISO    8677 
   s   
     A2 
 Werkstoff/      
 strength      
   s   s  
 Oberfläche/      
 surface      

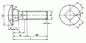
Flachrundschrauben mit Vierkantansatz
Mushroom head square neck bolts


 d  M 5  M 6  M 8  M 10  M 12  M 16 
 b = bis 120 mm  16  18  22  26  30  38 
 b = bis 200 mm  22  24  28  32  36  44 
 b = über 200 mm  -  -  41  45  49  57 
 d k max.  13,55  16,55  20,65  24,65  30,65  38,8 
 k max.  3,3  3,88  4,88  5,38  6,95  8,95 
 f max.  4,1  4,6  5,6  6,6  8,75  12,9 
 v max.  5,48  6,48  8,58  10,58  12,7  16,7 

Maße in mm


Nicht aufgeführte Abmessungen und/oder Ausführungen bitte anfragen.