DIN
964 A
ISO
2010
s
A2
Werkstoff/
strength
s
s
Oberfläche/
surface
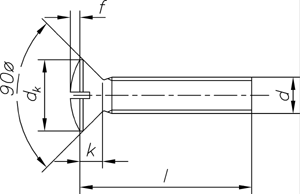
Linsen-Senkschrauben mit Schlitz
Slotted raised countersunk head screws
d
M 3
M 4
M 5
M 6
M 8
M 10
d k max.
5,6
7,5
9,2
11
14,5
18
k max.
1,65
2,2
2,5
3
4
5
f ~
0,75
1
1,25
1,5
2
2,5
Maße in mm
Nicht aufgeführte Abmessungen und/oder Ausführungen bitte anfragen.