DIN
464
s
s
Werkstoff/
Messing
strength
brass
s
Oberfläche/
surface
Hohe Rändelschrauben
Knurled thumb screws, high type
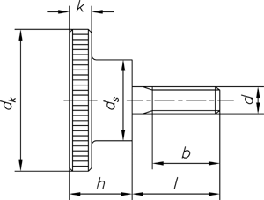
d
M 3
M 4
M 5
M 6
M 8
b max.
9
12
15
18
24
d k Nennmaß
12
16
20
24
30
d s Nennmaß
6
8
10
12
16
h Nennmaß
7,5
9,5
11,5
15
18
k max.
2,5
3,5
4
5
6
Maße in mm
Nicht aufgeführte Abmessungen und/oder Ausführungen bitte anfragen.