DIN    963 A 
 ISO    2009 
   s   
      
 Werkstoff/     Pa-6.6  
 strength     polyamid  
   s    
 Oberfläche/      
 surface      

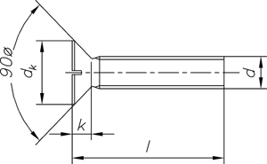
Senkschrauben mit Schlitz
Slotted countersunk head screws


 d  M 3  M 4  M 5  M 6  M 8  M 10 
 d k max.  5,6  7,5  9,2  11  14,5  18 
 k max.  1,65  2,2  2,5  3  4  5 

Maße in mm


Nicht aufgeführte Abmessungen und/oder Ausführungen bitte anfragen.