WSN    5174 
   s   
   s   
     A2 
 Werkstoff/   
 strength   
   s 
 Oberfläche/   
 surface   

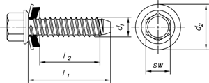
Fassadenbauschrauben, Typ BZ, mit Neopren-Dichtscheibe
Facadebuilding screws


 Nenngröße  BZ 6,3 
 sw  3/8" (ca. 9,5 mm) 
 d 2  16 mm 

Maße in mm


Nicht aufgeführte Abmessungen und/oder Ausführungen bitte anfragen.