DIN    95 
   s   
   s   
      
 Werkstoff/     Stahl  
 strength     steel  
   s    
 Oberfläche/     verzinkt  
 surface     zinc plated  

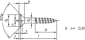
Linsensenk-Holzschrauben mit Schlitz
Slotted raised countersunk head wood screws


 d s  2  2,5  3  3,5  4  4,5  5  6 
 d k  3,8  4,7  5,6  6,5  7,5  8,3  9,2  11 
 f ~  0,5  0,6  0,75  0,9  1  1,1  1,25  1,5 
 k max.  1,2  1,5  1,65  1,93  2,2  2,35  2,5  3 
 n Nennmaß  0,5  0,6  0,8  0,8  1  1  1,2  1,6 
 t max.  1  1,2  1,45  1,7  1,9  2,1  2,3  2,8 

Maße in mm


Nicht aufgeführte Abmessungen und/oder Ausführungen bitte anfragen.